В стиральных машинах используются два типа датчиков — электромеханические и электронные.
Как известно, во всех СМ используются датчики уровня воды (прессостаты). На самом деле они измеряют давление воздуха в трубке, которая подключена к воздушной камере бака СМ, поэтому показания подобных датчиков пропорциональны уровню воды в баке. Такой простой способ измерения уровня воды используется еще и потому, что высокая точность при измерении не требуется. Сигналы с датчиков уровня в дальнейшем используются системой управления СМ при выполнении различных программ (в процессе стирки, отжима), а также для обработки нештатных режимов (перелив воды в баке и др.).
В электромеханическом датчике давление воздуха воздействует на диафрагму датчика, которая, в свою очередь, меняет положение электрического переключателя, что соответствует различным уровням воды в баке.
Что же касается электронных датчиков, они имеют несколько разновидностей. Неизменной во всех типах подобных датчиков остается только диафрагма. Но, в отличие от электромеханических датчиков, она уже воздействует на встроенные в датчик электронные элементы (катушка, конденсатор, потенциометр и др.), вследствие чего на выходе схемы формируются соответственно напряжение, частота (после преобразования в электронной схеме) или меняются параметры пассивных элементов (индуктивность, сопротивление).
В качестве примера датчиков-преобразователей «давление/напряжение» можно привести приборы семейства МРХ5010ххххх компании FREESCALE SEMICONDUCTOR. Они имеют малые габариты, достаточно высокую точность измерения и работают в диапазоне давлений 0...10 кПа. Диапазон напряжений на выходе подобных датчиков составляет 0,2...4,7 В. Внешний вид подобных датчиков показан на рис.1.
Подобные датчики пока широкого распространения не получили, они только начинают применяться в составе новых моделей стиральных машин, например, в модулях «lnvensys АС001» СМ АТЛАНТ 8-й серии.
Наиболее широкое распространение в настоящее время получили индуктивные датчики. Из их названия ясен тип датчика — это преобразователь «давление/индуктивность». Подключение индуктивного датчика уровня и его конструкцию поясняет рис.2, а его внешний вид показан на рис. П1.3.
Конструктивно индуктивный датчик уровня состоит из катушки и подпружиненного магнитного сердечника, который может перемещаться вдоль оси катушки при деформации диафрагмы, воспринимающей изменение давления. Изменение положения сердечника приводит к изменению индуктивности L катушки датчика.
Принципиальная электрическая схема генератора с индуктивным датчиком уровня на примере CM «LG WD-1020W» показана на рис. П1.5. Схема представляет собой простейший генератор с обратной связью. В цепи ОС включены катушка L, конденсаторы С1, С2 (все входят в состав датчика уровня) и резисторы R1, R2, R4(входят в состав электронного модуля).
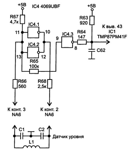
Принципиальная электрическая схема генератора на основе индуктивного датчика, которая применяется в CM «LG WD-80160», приведена рис.7
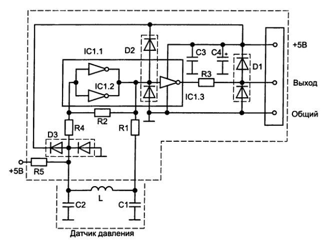
На рис.8 приведена упрощенная принципиальная электрическая схема электронного прессостата производства METAFLEX на основе ИМС74НС4060.
В состав микросхемы входят:
— компоненты генератора (логические элементы), к которым подключается катушка индуктивности датчика давления;
— 14-битный двоичный счетчик.
Прессостат выпускается в двух версиях:
— ST-540, применяется в CM ARISTON/INDESIT(заказной код 16002376400);
— ST-545, применяется в CM ELECTROLUX/ZANUSSI (заказной код 3792216040).
Оба датчика незначительно отличаются конструктивно, кроме того, на выходе ST-540 формируется частота в диапазоне 0...10,5 Гц (сигнал снимается с выв. 3 U1 — см. рис.8), а на выходе ST-545 — частота в диапазоне 0...44,5 Гц (выв. 1 U1). В обоих случаях частоты сигналов на выходе датчиков меняются при изменении уровня (давления) водяного столба в диапазоне 0...300 мм.
Проверка индуктивных датчиков уровня
Проверку работоспособности данного типа датчиков можно выполнить следующими способами:
При выполнении сервисного теста СМ В некоторых СМ с дисплеем (LG) при выполнении одного из шагов сервисного теста (на этапе залива воды) на дисплее отображается условный цифровой код, соответствующий уровню воды в баке в данный момент времени. Если значения этого кода выйдут за рамки допустимых, необходима проверка (замена) датчика уровня исвязанных с ним цепей.
Индикация соответствующих кодов ошибок СМ
При отображении на передней панели СМ различных кодов ошибок, связанных с процессами, которые контролирует датчик уровня (залив/слив воды, рассогласованность показаний датчиков уровня) не всегда ошибки указывают на неисправность именно этого датчика. В большинстве случаев приходится проверять работоспособность клапанов залива воды, помпы и их цепей.
Непосредственный контроль частоты генерации на выводах датчика или в соответствующих контрольных точках на электронном модуле СМ
Подобную проверку можно выполнить с помощью частотомера. Уровни воды в баке (или изменение давления воздуха на диафрагму датчика) можно сымитировать различными способами.
Внешний осмотр
В первую очередь проверяют надежность соединения датчика с пластиковой трубкой, а также целостность самой трубки. Также необходимо проверить электрический соединитель датчика.
Измерение индуктивности датчика при разных величинах давления на его диафрагме
Эту проверку можно выполнить, например, с помощью измерителя иммитанса. Уровни воды в баке (или изменение давления воздуха на диафрагму датчика) можно также имитировать различными способами.
Отметим, что при неправильной работе данного типа датчиков в первую очередь необходимо убедиться в том, что причиной ошибки (дефекта) является именно он, а не другие конструктивные или электронные элементы СМ(например, нарушение герметизации пластиковой трубки, отсутствие контакта в соединителях датчика, неисправность электронного модуля).
На индуктивных датчиках имеется регулировочный винт, который залит фиксирующей краской — см. рис.9 (показан стрелкой). Этим винтом регулируется начальное положение диафрагмы датчика, а, следовательно, и положение сердечника катушки, которое определяет значение L0 катушки. Положение винта калибруется в заводских условиях и в дальнейшем регулировки не требует.
При отказе работоспособности датчика регулировать этот винт нежелательно, так как чаще всего нештатное изменение индуктивности его катушки связано с повреждением диафрагмы. В подобных случаях лучше всего заменить сам датчик.
- Сенсорные электроды для измеренмя биопотенциалов в ЭКГ, ЭЭГ И ЭМГ
- Импульсный источник питания ~220 В /=5 В 4A
- Импульсный источник питания ~220 В /=9 В
- Электронный модуль стиральных машин АТЛАНТ
- Импульсный источник питания ~220 В /=5 В
- Восстановление работоспособности сенсорных панелей управления стиральных машин GORENJE
- Импульсный источник питания ~220 В /+5, ±12, ±15 В