Описывается ЭМ, который применяется в СМ «АТЛАНТ 35М102-ххх», «АТЛАНТ 45У82/102-ххх» и «АТЛАНТ 50C82/102-ххх».

В рассматриваемых моделях СМ модули внешне почти не отличаются друг от друга — всего существует четыре аппаратных версии ЭМ (5521/5522/5523/5524) и несколько десятков — с различными версиями ПО. Программные версии отличаются содержимым ИМС ЭСППЗУ в составе ЭМ. Основное ПО записано во внутреннюю область памяти МК, в пределах одной серии СМ оно не имеет отличий.В ИМС ЭСППЗУ записаны данные конфигурации для конкретной модели СМ, которая отражает, например, тип ПУ, максимальную скорость отжима и др.

Электронный модуль стиральных машин АТЛАНТ

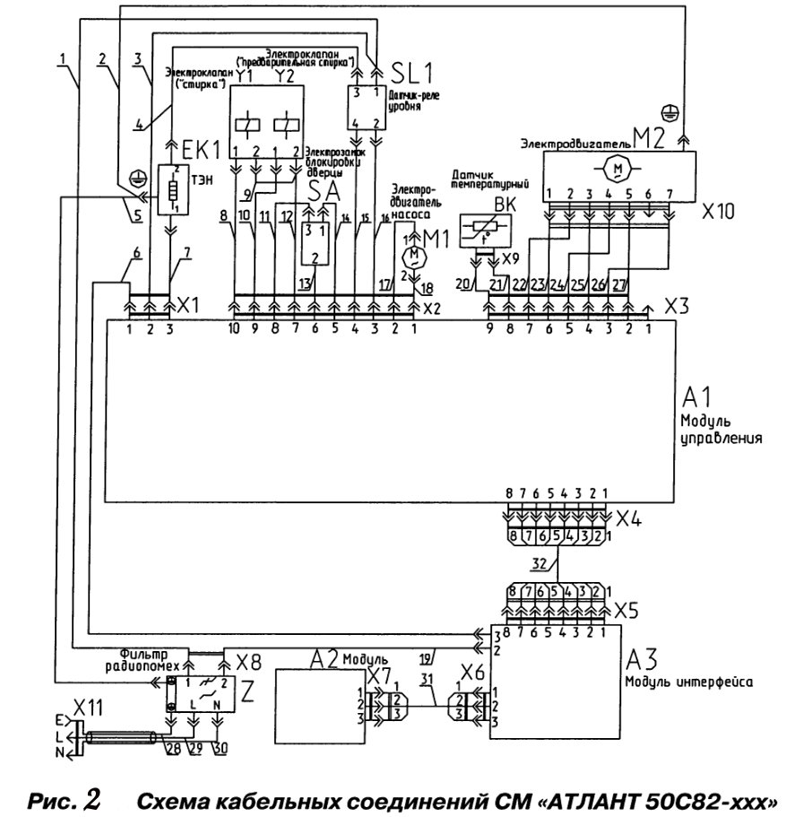
На крышке реле KL02 имеется стикер (показан стрелкой на рис.1), на котором нанесены данные о типе ЭМ, версии ПО, дате изготовления модуля и др. В качестве примера на рис.2 приведена схема кабельных соединений СМ «АТЛАНТ 50С82-ххх»

Электронный модуль стиральных машин АТЛАНТ Электронный модуль стиральных машин АТЛАНТ

На рис.3 — принципиальная электрическая схема подключения основных узлов в составе этой же серии См.В таблице 1 приведена расшифровка цифровых обозначений кабельных соединений СМ «АТЛАНТ 50С82-ххх» (см. рис.2).

Электронный модуль стиральных машин АТЛАНТ

Рассматриваемый ЭМ для СМ АТЛАНТ имеет в своем составе следующие основные элементы и узлы: • МК типа ST72F325J7T6. Эта микросхема наряду с некоторыми другими компонентами размещена на отдельном субмодуле в составе ЭМ. МК управляет всеми внешними исполнительными узлами СМ через буферные элементы (реле или симисторы), а именно: приводным мотором, клапанами залива воды,помпой, УБЛ и ТЭН. Кроме того, МК обеспечивает:

— обмен информацией с ПУ по последовательной шине;
— прием потенциального сигнала с датчика температуры (NTC);
— прием сигнала с тахогенератора (при вращении приводного мотора — сигнал синусоидальной формы);
— прием сигналов с датчика уровня воды (прессостата);
— прием диагностических сигналов, которые контролируют работоспособность некоторых узлов в составе ЭМ.
  • ЭСППЗУ типа 24C02. В ней хранятся данные о конфигурации СМ и другая служебная информация. Поэтому при установке ЭМ в СМ необходимо, чтобы содержимое прошивки ЭСППЗУ соответствовало данной модели.
  • ИП формирует два постоянных напряжения: 24 и 5 В. Первое используется для питания буферных каскадов управления реле, а второе — для питания остальных схем и узлов в составе ЭМ. ИП выполнен на основе ШИМ контроллера типа VIPER12А.
  • Реле, предназначенные для коммутации силовых цепей ЭМ — питания ТЭН и обмоток приводного мотора.
  • Симисторы предназначены для управления силовыми нагрузками в составе СМ (приводной мотор, УБЛ, клапаны залива воды).
  • Конструктивно в составе ЭМ имеется субмодуль, на котором размещены МК, ИМС ЭСППЗУ, транзисторные буферные каскады и другие элементы. В свою очередь, на основной плате ЭМ размещены силовые управляющие компоненты (реле, симисторы), ИП, внешние соединители и др.

    Необходимо отметить, что компоновка ЭМ имеет некоторую избыточность. Например, в рассматриваемом образце модуля предусмотрены места для установки реле KL03 (коммутация обмотки статора приводного мотора при переходе на высокие обороты при отжиме), KL05 (коммутация дополнительной помпы), а сами реле отсутствуют. На субмодуле имеются элементы и цепи, функциональное назначение которых не удалось определить. Скорее всего, они могут использоваться опционально.

    Описание основных узлов ЭМ

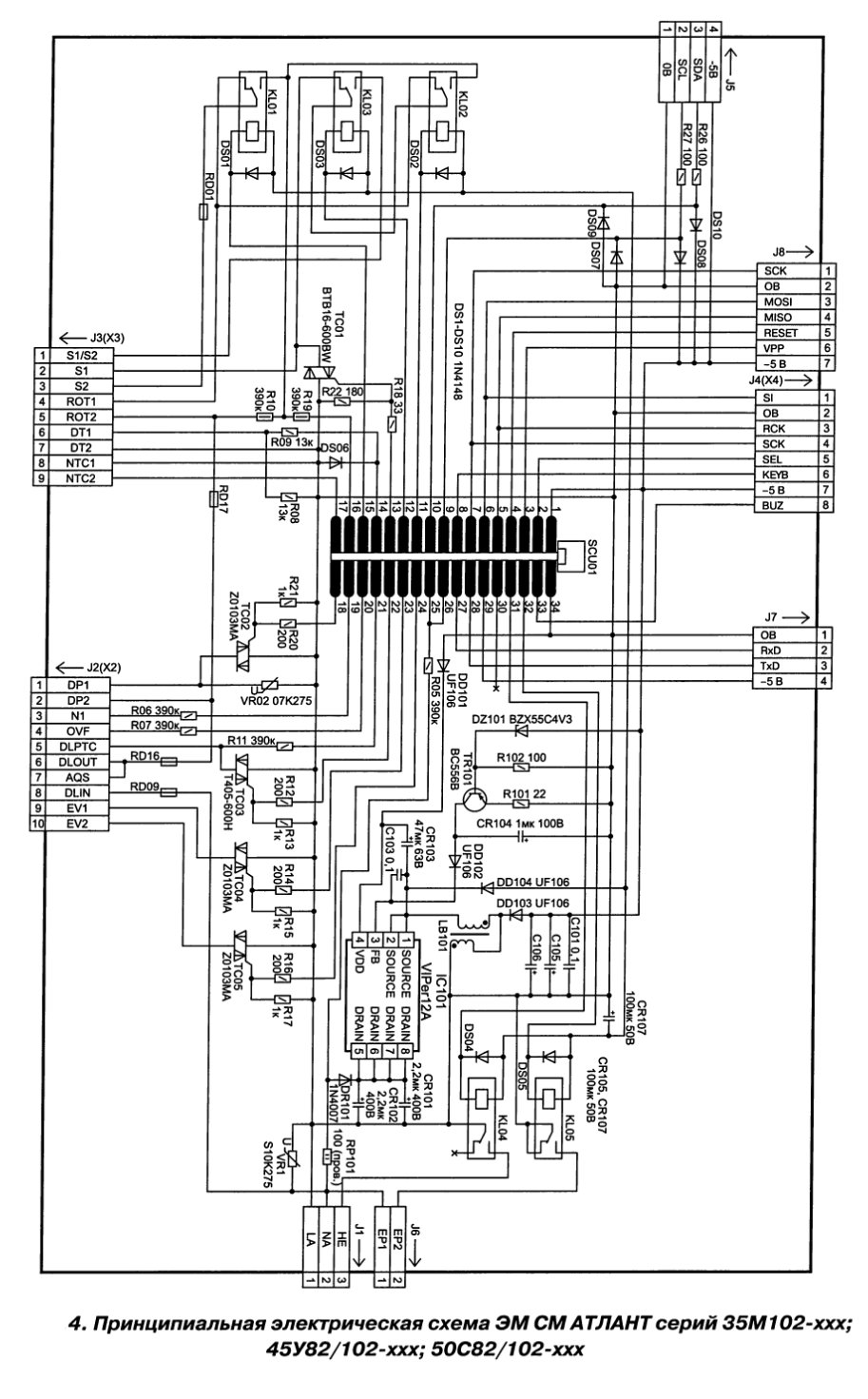
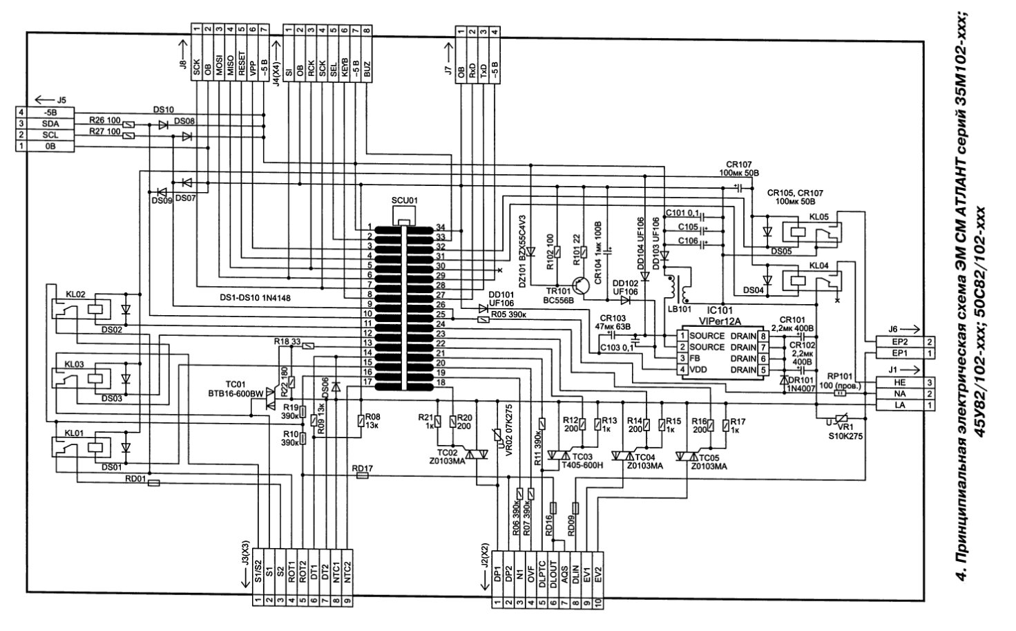
    На рис.4 приведена принципиальная схема ЭМ, а на рис.5 — его субмодуля. Рассмотрим состав и работу основных узлов ЭМ по принципиальным схемам.

    Источник питания

    Импульсный ИП формирует два постоянных напряжения — 24 и 5 В, которые используются для питания элементов и узлов ЭМ. На рис. 1.4 приведена принципиальная электрическая схема ИП. Основой ИП является контроллер VIPER12A производства STMicroelectronics. Эта микросхема часто используется другими производителями ЭМ для СМ — достаточно лишь назвать ЭМ JANUS (ARDO) или LOW END (INDESIT). VIPER12A представляет собой импульсный обратноходовый преобразователь со встроенным силовым ключом — МОП транзистором. Применительно к рассматриваемому ЭМ в состав ИП входят следующие компоненты:

    — цепи ограничения по напряжению и току (RP101, VR1);
    — сетевой выпрямитель (DR101, CR101, CR102);
    — ШИМ контроллер IC101 (VIPER12A);
    — импульсный трансформатор (LB101);
    — выходной выпрямитель (DD103, DD104, C101, C103, CR103, CR105, CR106);
    — усилитель ошибки (TR101, DZ101, DD102, R101, R102);
    — цепь питания IC101 (DD101).

    Особенностью источника является то, что его схемный корпус условно соединен с линией -5 В. Напряжение питания +5 В обозначено как «0 В» — во всяком случае эта шина подобным образом промаркирована непосредственно на плате ЭМ (см. обозначения контактов соединителя J5 на рис. 4 и внешний вид ЭМ на рис. 1).

    Элементы управления исполнительными устройствами СМ

    На плате ЭМ расположены следующие элементы управления исполнительными устройствами СМ:

  • Симисторы управления клапанами залива воды Y1,Y2 (рис. 2, 3). Цепь управления симистора Y1: выв. 35 МК DD1 (рис. 5) — конт. 24 субмодуля — R16 (рис. 4) — управляющий электрод TC05. Цепь управления симистора Y2: выв. 34 МК DD1 (рис. 5) — конт. 23 субмодуля — R14 (рис. 4) — управляющий электрод TC04.
  • Симистор TC03 управления УБЛ SA (рис. 2, 3). Цепь управления симистора TC03: выв. 5 МК DD1 (рис. 5) — конт. 22 субмодуля — R12 (рис. 4) — управляющий электрод TC03.
  • Симистор TC01 приводного мотора М2/3/4/5 (рис. 2, 3). Он управляется ШИМ сигналом по цепи: выв. 18 МК DD1 (рис. 5) — транзистор VT6 — конт. 13 субмодуля — R18 (рис. 4) — управляющий электрод TC01.
  • Симистор TC02 помпы М1 (рис. 2, 3). Он управляется по цепи: выв. 3 МК DD1 (рис. 5) — конт. 18 субмодуля — R20 (рис. 4)— управляющий электрод TC02.
  • Реле ТЭН KL04. Оно управляется по цепи: выв. 25 МК DD1 — VT3 (рис. 5) — конт. 31 субмодуля — обмотка KL04 (рис. 4).
  • Реле реверса KL01 и KL02 коммутируют фазировку питания обмотки статора приводного мотора. Они управляются по следующим цепям (в скобках — для реле KL02): выв. 20 (16) МК DD1 (рис. 5) — конт. 15 (11) субмодуля — транзистор VT7 (VT4) — обмотка KL01 (KL02)(pnc. 4).
  • Реле KL03 устанавливается опционально и коммутирует обмотку статора приводного мотора при переходе с низких оборотов (в режиме отжима) на высокие и наоборот. Реле KL03 управляется по цепи: выв. 17 МК DD1 (рис. 5) — транзистор VT5 — конт. 31 субмодуля — обмотка KL03 (рис. 4).
  • Реле KL05 устанавливается опционально и используется для коммутации дополнительной помпы. Оно управляется по цепи: выв. 26 МК DD1 (рис. 5) — транзистор VT6 — конт. 32 субмодуля — обмотка KL05 (рис. 4).
  • Элементы контроля и измерительные цепи

    На плату ЭМ поступают следующие сигналы контроля измерительных цепей:

  • С датчика температуры (подключен к конт. 8,9 соединителя ХЗ (J3) сигнал поступает на конт. 17 субмодуля и далее, через интегрирующую RC-цепь — на выв. 10 МК (вход АЦП) (см. рис. 5).
  • С контактной группы N1 прессостата («уровень заполнения») (рис. 3, 4) сигнал поступает по цепи: конт. 3 соединителя X2(J2) (рис. 4) — конт. 19 субмодуля — выв. 4 МК DD1 (рис. 5).
  • С контактной группы OVF («уровень перелива») (рис. 3, 4) сигнал поступает по цепи:конт. 4 соединителя X2(J2) (рис. 4) — конт.20 субмодуля — выв. 24 МК DD1 (рис. 5).
  • Примечания: 1. «Защитный уровень» прессостата не контролируется МК. Эта контактная группа коммутирует цепь питания ТЭН, а последовательно с ней включены контакты реле ТЭН. Таким образом, для того, чтобы была замкнута цепь питания ТЭН, необходимо два условия — срабатывание «защитного уровня» прессостата и включение реле KL04 на ЭМ. 2. При достижении «уровня перелива» соответствующий сигнал с прессостата поступает только на МК. Применяемая в большинстве СМ других производителей цепь аварийного включения помпы при достижении «уровня перелива» (без участия МК) в данных СМ не предусмотрена.

  • С цепи контроля работоспособности симистора УБЛ ТСОЗ. Сигнал контроля симистора поступает по цепи: 2-й анод (нижний по схеме) ТСОЗ R11 — конт. 21 субмодуля (рис. 4) — выв. 30 МК DD1 (рис. 5).
  • С цепи контроля питания приводного мотора. В данном случае контролируется целостность реле реверса и в целом — цепь питания мотора. Сигнал контроля снимается с верхних (по схеме на рис, 4) контактных групп реле KL01, KL02 и через резистор R19, конт. 16 субмодуля поступает на выв. 23 МК DD1 (рис. 5).
  • С тахогенератора (датчика скорости вращения приводного мотора) через конт. 6, 7 соединителя X3(J3) (рис. 4) на конт. 14 субмодуля. Далее сигнал поступает через транзистор VT8 на выв. 19MKDD1 (рис. 5). Необходимо отметить, что состояние силовой контактной группы УБЛ напрямую не контролируется МК. Эта группа коммутирует цепи питания клапанов залива воды, помпы и приводного мотора (все перечисленные цепи защищены предохранителями — см. рис. 4). В случае возможной неисправности этого силового контакта УБЛ МК детектирует неисправность по пассивному состоянию сигнала контроля приводного мотора. Существуют еще две цепи на ЭМ, сигналы которых используются МК — это цепь синхронизации от питающей сети и контроля уровня напряжения в сети (во втором случае — опционально). Цепь синхронизации формирует из сетевого напряжения импульсы частотой 50 Гц, которые поступают на выв. 31 МК для тактирования таймеров и других узлов в его составе (см цепь с конт. 25 субмодуля на МК — рис. 5). В цепи контроля уровня сетевого напряжения сигнал поступает на конт. 26 субмодуля и далее — навыв. 9 МК (вход АЦП). Указанная цепь имеется не во всех версиях ЭМ.
  • Микроконтроллер

    В рассматриваемой версии ЭМ используется М К ST72F325J7T6 семейства ST7 производства фирмы STMIcroelectronics. Эта микросхема выполнена в корпусе TQFP44. В состав микроконтроллера входят следующие основные элементы:

  • 8-битное процессорное ядро;
  • ОЗУ объемом 1536 байт;
  • Flash-память объемом 48 кбайт;
  • тактовый генератор, стабилизированный внешним кварцевым резонатором 1...16 МГц. В рассматриваемом ЭМ используется резонатор 4 МГц;
  • 32 линии универсальных портов ввода-вывода;
  • 8-битный 4-канальный ШИМ;
  • 10-битный 16-разрядный АЦП;
  • поддержка последовательных интерфейсов l2CnSCI.
  • Для обеспечения работоспособности МК к нему подключены элементы начального сброса RESET (RC-цепь, подключенная к выв. 39 DD1 — см. рис. 5). Также для внешнего управления (от программатора) данный сигнал выведен через конт. 4 субмодуля на соединитель J8 (конт. 5, см. рис. 4)

    МК DD1 через последовательную шину обеспечивает управление ЭСППЗУ DD2 (рис. 5). Обозначение и назначение выводов МК U3 (ST72F325J7T6) приведено в таблица 2.

    У многих специалистов часто возникают вопросы по поводу замены и возможного программирования данных МК. Прошивка Flash-памяти МК имеет защиту, поэтому считать содержимое этой памяти обычными средствами не представляется возможным. Что же касается содержимого ЭСППЗУ DD2, то, как известно, в ней записываются конфигурационные и другие служебные данные. Считать содержимое этой памяти (как и записать новые данные) несложно (при наличии соответствующего программатора и ПК). На «ремонтных» форумах частично выложена база прошивок ЭСППЗУ для разных версий ЭМ.

    ЭСППЗУ

    МК через отдельную последовательную шину обменивается данными с ЭСППЗУ DD2 (24С02) объемом 256 байт. Как отмечалось выше, в этой микросхеме хранятся данные конфигурации конкретной СМ, а также другая информация. МК обменивается информацией с ЭСППЗУ по следующим линиям последовательной шины:

    — SDA — данные (выв. 36 DD1 — выв. 5 DD2);
    — SCL — синхронизация (выв. 37 DD1 — выв. 6 DD2).
    Электронный модуль стиральных машин АТЛАНТ

    Служебные соединители

    Рассматриваемый ЭМ имеет соединители, которые не используются при эксплуатации CM-J5, J7, J8. Разъем J5 (4 контакта) имеет набор линий последовательной шины (SDA, SCL) и питание (5 В). Он используется для подключения ПУ (см. выше), а также для конфигурирования (программирования) ЭМ под конкретную модель СМ на этапе производства. Разъем J7 (4 контакта) имеет набор линий последовательной шины (TXD, RXD), которые соединены непосредственно с МК. Предположительно, он также может использоваться для подключения программатора. Разъем J8 (7 контактов) имеет набор линий последовательной шины (SCK, MOSI, MISO), RESET, а также питания (5 В) и напряжения программирования (VPP). Указанный соединитель используется в служебных целях для подключения специализированного программатора (программирование Flash-памяти в составе МК).

    Коды маркировки электронных компонентов в составе ЭМ

    Соответствие кодов маркировки некоторых компонентов в составе ЭМ их типам приедено в таблице 3.

    Электронный модуль стиральных машин АТЛАНТ

    Возможные неисправности модуля и их устранение

    Если говорить о неисправностях рассматриваемого ЭМ, то можно сказать, что данный модуль подвержен тем же «болезням», что и аналогичные узлы от других производителей. Особенности ЭМ и СМ на его основе приведены в данном материале, поэтому специалисты, полагаясь на свой опыт и знания, в большинстве своем смогут выявить и устранить большинство дефектов рассматриваемого ЭМ (при условии, что они не связаны с выходом из строя МК или другими фатальными причинами (разрушение платы и др.)). При поиске и устранении неисправностей ЭМ также следует использовать возможности встроенной системы диагностики (тестовый режим и коды ошибок). Ниже приведены некоторые неисправности и способы их устранения из этого же источника.

    СМ не включается

    При признаках подобной неисправности в первую очередь проверяют работоспособность ИП (см. рис. 4) и его цепей нагрузки. Также необходимо проверить ПУ и надежность соединителей с ЭМ.

    При включении СМ на передней панели периодически мигают все индикаторы. Код ошибки в этом случае не отображается

    Подобный дефект возможен в следующих случаях:

    Неисправны ИП и связанные с ним цепи. В этом случае проверяют ИП на предмет соответствия номинальным значениям выходных напряжений и уровням пульсаций.
    Неисправен МК или ПУ
    При работе СМ нарушается логика выполнения программ. Также возможно формирование кодов ошибок F13 или F14. Проверка внешних компонентов ЭМ не выявила неисправностей

    В подобном случае чаще всего бывает необходимо перезаписать микросхему ЭСППЗУ или заменить ее на аналогичную, с «рабочей» прошивкой. В противном случае необходима последовательная замена ЭМ и ПУ.